局放仪和电流互感器如何完成接线操作
局部放电试验装置里除了有局放仪这类主要设备,也许还有电流互感器等相关的设备。那么这些设备如电流互感器和局放仪之间如何接线呢,下面和武汉合众电气一起来看看局放仪和电流互感器如何完成接线操作。
电流互感器局部放电试验,试验电压由外施电源产生,一般有三种检测方法:
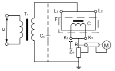
1)输入单元和互感器串接,以杂散电容Cs取代耦合电容器Ck,其试验接线如图6-5-A所示。试验变压器一般按需要选用单级变压器串接(例如单级电压为60kV的3台变压器串接),其内部放电量应小于规定的允许水平?;ジ衅魅粲刑綜端子引出,则并接在B处。电容式互感器的末屏端子也并接在B处。外壳最好接B,也可直接接地。
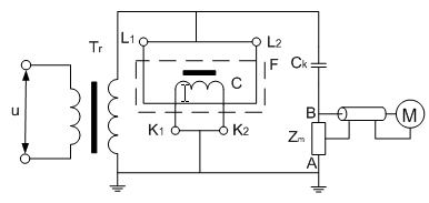
2)当干扰影响测量时,可采用邻近相的互感器或性能相近的互感器连接成平衡回路的接线,如图6-5-B所示,被试互感器施加高压,非被试互感器不施加高压,以降低干扰。此时采用脉冲鉴别系统测试效果更佳。
3)输入单元和耦合电容器Ck串接,其试验接线如图6-5-C所示。外壳可直接接地。
Tr-试验变压器;C-铁芯;F-外壳
Cx-被试互感器;Cc-邻近相互感器
以上是局放仪和电流互感器如何完成接线操作,如果需要局放仪、互感器等,可联系我们。
电流互感器局部放电试验,试验电压由外施电源产生,一般有三种检测方法:
1)输入单元和互感器串接,以杂散电容Cs取代耦合电容器Ck,其试验接线如图6-5-A所示。试验变压器一般按需要选用单级变压器串接(例如单级电压为60kV的3台变压器串接),其内部放电量应小于规定的允许水平?;ジ衅魅粲刑綜端子引出,则并接在B处。电容式互感器的末屏端子也并接在B处。外壳最好接B,也可直接接地。
2)当干扰影响测量时,可采用邻近相的互感器或性能相近的互感器连接成平衡回路的接线,如图6-5-B所示,被试互感器施加高压,非被试互感器不施加高压,以降低干扰。此时采用脉冲鉴别系统测试效果更佳。
3)输入单元和耦合电容器Ck串接,其试验接线如图6-5-C所示。外壳可直接接地。

图6-5-A 电流互感器试验接线
Tr-试验变压器;C-铁芯;F-外壳

图6-5-B抑制干扰的平衡法接线
Cx-被试互感器;Cc-邻近相互感器

图6-5-C接有耦合电容器Ck的试验接线
以上是局放仪和电流互感器如何完成接线操作,如果需要局放仪、互感器等,可联系我们。
- 上一篇: 局放仪测量变压器套管局部放电时如何接线
- 下一篇: 局放仪测量低压侧加压如何接线