局放仪测量低压侧加压如何接线
电气设备在操作和使用过程中难以避免会存在局部放电现象,这是一种正常反应。局放仪就是测量这一现象,并确保电气设备安全正常的仪器。局放仪买了之后该如何接线呢,我们和武汉合众电气来了解下,局放仪测量低压侧加压如何接线。
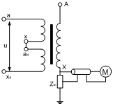
1)输入单元和互感器串接,以杂散电容Cs取代耦合电容器Ck,其试验接线如图6-4-A所示。外壳可并接在X处,也可直接接地。
2)当干扰影响测量时,可采用邻近相的互感器或性能相近的互感器连接成平衡回路的接线,如图6-4-B所示,被试互感器励磁,非被试互感器不励磁,以降低干扰。此时采用脉冲鉴别系统测试效果更佳。
3)输入单元和耦合电容器Ck串接,其试验接线如图6-4-C所示。外壳可直接接地。
为防止励磁电流过大,电压互感器试验的预加电压,可采用150Hz或其它合适的频率作为试验电源。


以上是局放仪低压侧的接线,如果对局放仪有需求,直接找对应厂家购买,能保证较好的售后服务,这也是很重要的。
1)输入单元和互感器串接,以杂散电容Cs取代耦合电容器Ck,其试验接线如图6-4-A所示。外壳可并接在X处,也可直接接地。
2)当干扰影响测量时,可采用邻近相的互感器或性能相近的互感器连接成平衡回路的接线,如图6-4-B所示,被试互感器励磁,非被试互感器不励磁,以降低干扰。此时采用脉冲鉴别系统测试效果更佳。
3)输入单元和耦合电容器Ck串接,其试验接线如图6-4-C所示。外壳可直接接地。
为防止励磁电流过大,电压互感器试验的预加电压,可采用150Hz或其它合适的频率作为试验电源。

图6-4-A无耦合电容器Ck试验接线

图6-4-B抑制干扰的平衡回路接线

图6-4-C接有耦合电容器Ck的试验接线
以上是局放仪低压侧的接线,如果对局放仪有需求,直接找对应厂家购买,能保证较好的售后服务,这也是很重要的。
- 上一篇: 局放仪和电流互感器如何完成接线操作
- 下一篇: 几种典型的局放仪测量回路连接方法