微机继电?;げ馐砸堑墓β始痰缙餍Q?/span>
微机继电保护测试仪的功率继电器校验,是把上一篇继电?;げ馐砸羌痰缙餍Q楦酉富慕步?,欢迎合众电气技术工程师给大家讲解。
(1)功率方向继电器动作区和灵敏角的测量
在微机继电?;げ馐砸?/span>功率、阻抗试验中,设定Uab、Ia为额定值,设置Uab相角步长,加减电压相位角(可用自动试验方式),测出动作区两边边界角φ1、φ2,则灵敏角φLM=?(φ1+φ2)。
(2)最小动作功率的测量
将微机继电?;げ馐砸?/span>角度设置在灵敏角φLM,设定Ia(或Uab)为额定值、Uab(或Ia)为零。
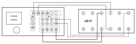
设置Uab(或Ia)的步长,增加电压(或电流)。测出最小动作功率。如上图所示。
(3)潜动试验
微机继电?;げ馐砸?/a>电流回路开路,设置Uab初值为零、步长为额定电压,突然加上或切除电压,继电器触点不应有瞬间接通现象。
电压回路经20欧电阻短路,设置Ia 初值为零、步长为数倍额定电流,突然加上或切除电流,继电器触点不应有瞬间接通现象。
(4)记忆作用检验
在微机继电?;げ馐砸?/span>灵敏角下设置Ia 为0.5倍和数倍额定电流时,Uab由100V突降至零,继电器应可靠动作,说明记忆作用良好。
(1)功率方向继电器动作区和灵敏角的测量
在微机继电?;げ馐砸?/span>功率、阻抗试验中,设定Uab、Ia为额定值,设置Uab相角步长,加减电压相位角(可用自动试验方式),测出动作区两边边界角φ1、φ2,则灵敏角φLM=?(φ1+φ2)。
(2)最小动作功率的测量
将微机继电?;げ馐砸?/span>角度设置在灵敏角φLM,设定Ia(或Uab)为额定值、Uab(或Ia)为零。

(3)潜动试验
微机继电?;げ馐砸?/a>电流回路开路,设置Uab初值为零、步长为额定电压,突然加上或切除电压,继电器触点不应有瞬间接通现象。
电压回路经20欧电阻短路,设置Ia 初值为零、步长为数倍额定电流,突然加上或切除电流,继电器触点不应有瞬间接通现象。
(4)记忆作用检验
在微机继电?;げ馐砸?/span>灵敏角下设置Ia 为0.5倍和数倍额定电流时,Uab由100V突降至零,继电器应可靠动作,说明记忆作用良好。