一品qm楼凤论坛,小红楼论坛网页版进入,栖凤楼论坛官方网站,修车大队楼凤论坛导航

当前位置:首页 > 新闻中心 > 行业动态

局部放电检测中的几种测量回路

  局部放电检测方法之电测法,局部放电最直接的现象即引起电极间的电荷转移,从而引起试样外部电极上的电压变化。

  气隙中局部放电持续时间很短,10ns量级;油隙中1us量级。根据Maxwell电磁理论, 如此短持续时间的放电脉冲会产生高频的电磁信号向外辐射。局部放电电检测法即是基于电荷转移和电磁辐射这两个原理。

  1、脉冲电流法

  脉冲电流法是一种应用最为广泛的局部放电测试方法。测量回路如图所示:

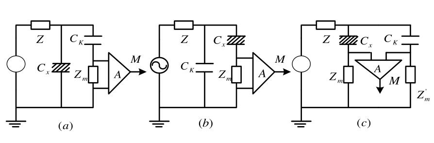
局部放电测量回路

  Cx,试品电容:Zm(Zm'),测量阻抗;Ck,耦合电容,为Cx与Zm之间提供一个低阻抗通道。Z,低通滤波器,通工频,阻高频。

  并联测量回路,如图(a):

  试验电压U经Z施加于试品Cx,测量回路由Ck与Zm串联而成,并与Cx并联,因此称为并联测量回路。试品上的局部放电脉冲经Ck耦合到Znm上,经放大器A送到测量仪器M。

  局部放电试验装置的这种测量回路适合于试品一端接地也的情况,在实际工作中应用较多。

局部放电试验装置

  串联测量回路,如图(b):

  测量阻抗Zm串联接在试品Cx低压端与地之间,并经由Ck形成放电回路。

  试品的低压端必须与地绝缘。

  桥式测量回路(又称平衡测量回路),如图(c):试品Cx与耦合电容Ck均与地绝缘,测量阻抗Zm与Zm'分别接在Cx与Ck的低压端与地之间。局部放电试验装置M测量Zm与Zm'上的电压差。

相关产品推荐

    局部放电试验装置 相关产品更新中...