YDJ油浸式试验变压器及试验变压器串级原理
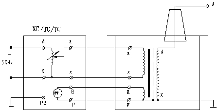
YDJ(G)、TDM(G)型油浸式试验变压器为单相变压器,连结组I. I. 用工频220V(10KVA以上为380V)电源接入∕XC∕TC(为武汉市合众电气生产的试验变压器专用设备,详细资料请见其具体使用说明书)系列操作箱(台),经操作箱内自耦调压器(50KVA以上调压器外附)调节至0-200V(或0-400V)电压输出至YDJ(G)、TDM(G)试验变压器的初组绕组,根据电磁感应原理,在试验变压器高压绕组可获得试验所需的高电压。
单台TDM(G)油浸式试验变压器的工作原理图见下图,图中高压套管中装有高压硅堆,串接在高压回路中作半波整流,以获得直流高电压。当用一短路杆将高压硅堆短接时,可获得工频高电压,作为交流输出状态;取消短路杆时,作为直流输出状态。
三台油浸式试验变压器串级获得更高电压的结线原理见下图。串级高压试验变压器有很大的优越性,因为整个试验装置由几台单台试验变压器组成,单台试验变压器容量小、电压低、重量轻,便于运输和安装。它既然可串接成高出几倍的单台试验变压器输出电压组合使用,又可分开成几套单台试验变压器单独使用。整套装置投资小,经济实惠。图5中,在第一级和第二级的每个单元试验变压器中都有一个励磁绕组A1、C1和A2、C2。
在串级试验变压器基本原理图中,低压电源加在试验变压器I的初级绕组a1x1上,单台试验变压Ⅰ、Ⅱ、Ⅲ的输出电压都是V。励磁绕组A1、C1给第二级试验变压器Ⅱ的初级绕组供电;第二级试验变压器Ⅱ的励磁绕组A2、C2给第三级试验变压器Ⅲ的初级绕组供电。第二级试验变压器Ⅱ和第三级试验变压器Ⅲ的箱体分别处在对地为1V和2V的高电位上,所以箱体对地是绝缘的,试验变压器I的箱体是接地的。这样第一级、第二级、第三试验变压器对地的额定输出电压分别为1V、2V、3V;其额定容量分别为3P、2P、1P。
- 上一篇: 闭口闪点测定仪的结构特征
- 下一篇: 无局放耐压试验装置耐压试验更加简单方便





