直流高压发生器的一般测量方法
直流高压发生器一般测量时,当接好线后,先把联接试品的线悬空,升到试验电压后读取空试时的电晕和杂散电流I,然后接上试品升到试验电压读取总电流,试品泄漏电流。下面和武汉合众电气了解下直流高压发生器的测量方法。
注意:控制箱数显电流表读数。
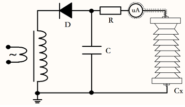
当需要精确测量被试品泄漏电流时,则应在高压侧串入高压微安表,如图3.1所示。
图3.1 微安表接入被试品CX高压侧接线图
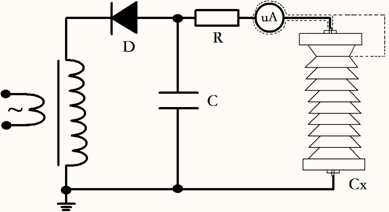
微安表必须有金属屏蔽,应采用屏蔽线与被试品联接。高压引线的屏蔽引出应与仪表端的屏蔽紧密联接。如果被试品表面有污秽,要排除被试品表面泄漏电流的影响,可在被试品高电位端用裸金属软线紧密绕几圈后与高压引线的屏蔽相联接,如图3.2所示。
图3.2 排除被试品Cx表面影响连接示意图
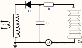
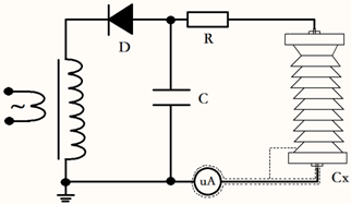
对氧化锌、磁吹避雷器等被试品接地端可拆开的情况下,也可采用在被试品的底部(地电位侧)串入电流表进行测量的方式,如图3.3所示。 当要排除被试品表面泄漏电流的影响,可用软的裸铜线在试品地电位端绕上几圈并与屏蔽线的屏蔽相联接,如图3.4所示。
图3.3 微安表接入被试品Cx底部接线图
图3.4 排除被试品Cx表面影响接线图
本文是直流高压发生器的测量方法,如果对直流高压发生器有需求,可以联系我们客服。

当需要精确测量被试品泄漏电流时,则应在高压侧串入高压微安表,如图3.1所示。

微安表必须有金属屏蔽,应采用屏蔽线与被试品联接。高压引线的屏蔽引出应与仪表端的屏蔽紧密联接。如果被试品表面有污秽,要排除被试品表面泄漏电流的影响,可在被试品高电位端用裸金属软线紧密绕几圈后与高压引线的屏蔽相联接,如图3.2所示。

对氧化锌、磁吹避雷器等被试品接地端可拆开的情况下,也可采用在被试品的底部(地电位侧)串入电流表进行测量的方式,如图3.3所示。 当要排除被试品表面泄漏电流的影响,可用软的裸铜线在试品地电位端绕上几圈并与屏蔽线的屏蔽相联接,如图3.4所示。


本文是直流高压发生器的测量方法,如果对直流高压发生器有需求,可以联系我们客服。
- 上一篇: 阻容分压器如何做高压测量
- 下一篇: 为什么第一步就是要测量电气绝缘电阻