局放仪在变压器局放测试接线中的位置
变压器的局放测试接线原理图,我们和武汉合众电气一起来看看局放仪在里面那个位置。
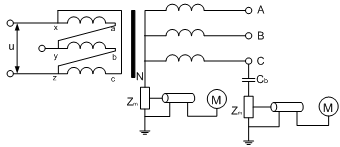
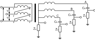
变压器试验电源一般采用50Hz的倍频或其它合适的频率。三相变压器可三相励磁,也可单相励磁。变压器局部放电试验的基本原理接线,如图6-8所示:
图6-8 变压器局部放电试验的基本原理接线
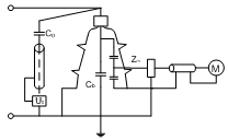
其中 Cb-为变压器套管电容
变压器试验电源一般采用50Hz的倍频或其它合适的频率。三相变压器可三相励磁,也可单相励磁。变压器局部放电试验的基本原理接线,如图6-8所示:

图6-8-A单相励磁基本原理接线

图6-8-B 三相励磁基本原理接线

图6-8-C 套管抽头测量和校准接线
图6-8 变压器局部放电试验的基本原理接线
其中 Cb-为变压器套管电容
- 上一篇: 局放仪通道电信号的连接方式
- 下一篇: 耦合电容器的具体使用方法介绍