局放仪极性判别抑制干扰的办法
前面的文章我们武汉合众电气讲到过,局部放电检测仪(简称:局放仪)在做局部放电试验的时候,会受到很多的干扰,同时针对这些问题,也有很多的办法可以减少干扰,来获取正确的试验数据。下面我们来和武汉合众电气来了解一种比较有效的抑制干扰的办法——极性判别抑制干扰。
原理
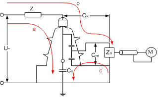
外部干扰由引线串入变压器内部,其传输回路分别经过套管接地线和铁心接地线汇入大地,如下图a,b所示两条回路。而变压器内部放电的传输回路可以由放电点经套管地屏、大地、铁心接地到放电点构成回路,如右图c所示回路。所以,外部干扰在套管接地线和铁心接地线上产生的电流极性相同,而变压器内部放电在套管接地线和铁心接地线上产生的电流极性相反。
接线
先按局放测量的接线方法将输入单元的信号接入CH1,然后从铁心接地线引出一根电缆,面对高频电流互感器有文字的正面圆形孔中将电缆穿入,从背面穿出之后接到地线上,用同轴电缆把“高频电流互感器”耦合过来的信号接到局放仪的CH2即可。
注:铁心接地线一定要穿过高频电流互感器的正面,反之会导致信号极性错误。(参见附录接线图2、4左下部高频电流互感器的连接方法,方向要正确)
操作方法
①在注入方波校准时,利用波形分析功能观察两个通道同相位的方波信号的极性。
②测量时,将稍微大于CH2的背景值输入到天线的“上阈”框内,然后根据极性选中同极性或异极性,CH1会根据极性来判别是否去除,从而读出正确的放电量。
以上是局放仪极性判别抑制干扰的办法,如果对局放仪的使用有更多问题,也需要买一些局放仪,可以联系我们解决更多问题。
原理
外部干扰由引线串入变压器内部,其传输回路分别经过套管接地线和铁心接地线汇入大地,如下图a,b所示两条回路。而变压器内部放电的传输回路可以由放电点经套管地屏、大地、铁心接地到放电点构成回路,如右图c所示回路。所以,外部干扰在套管接地线和铁心接地线上产生的电流极性相同,而变压器内部放电在套管接地线和铁心接地线上产生的电流极性相反。

图 5-33极性判别示意图
接线
先按局放测量的接线方法将输入单元的信号接入CH1,然后从铁心接地线引出一根电缆,面对高频电流互感器有文字的正面圆形孔中将电缆穿入,从背面穿出之后接到地线上,用同轴电缆把“高频电流互感器”耦合过来的信号接到局放仪的CH2即可。
注:铁心接地线一定要穿过高频电流互感器的正面,反之会导致信号极性错误。(参见附录接线图2、4左下部高频电流互感器的连接方法,方向要正确)
操作方法
①在注入方波校准时,利用波形分析功能观察两个通道同相位的方波信号的极性。
②测量时,将稍微大于CH2的背景值输入到天线的“上阈”框内,然后根据极性选中同极性或异极性,CH1会根据极性来判别是否去除,从而读出正确的放电量。
以上是局放仪极性判别抑制干扰的办法,如果对局放仪的使用有更多问题,也需要买一些局放仪,可以联系我们解决更多问题。
- 上一篇: 局放仪简单常用的抗干扰方法
- 下一篇: 局放仪的天线门控抑制干扰